
Miniature Bearings Australia
WST-65RS - Datasheet
MBA
Category Information
Pins - Side Thrust - Double Sided Steel BallDouble Sided Steel Ball Side Thrust Pins. For holding, clamping and positioning work pieces. Body is black oxide steel.
- Spring-loaded component used for clamping, positioning, and holding workpieces in machinery and fixtures.
- Space-saving, simple alternative to more complex clamping methods and are designed to press against a part to secure it.
- Often used for tasks like locating components during machining, in jigs and fixtures, or for holding flat items like circuit boards.
- Steel ball and elasticised spring with black oxide coated steel body
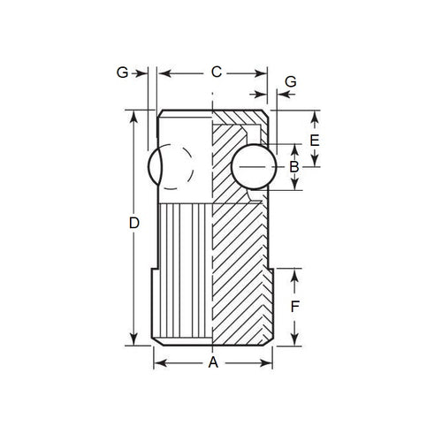
Product Data
- Knurled Diameter (A)
:
18.034
mm
(Equiv. 0.71 in.) - Ball Diameter (B)
6.604
mm
(Equiv. 0.26 in.) - End Diameter (C)
17.018
mm
(Equiv. 0.67 in.) - D 39.878 mm
- E 7.874 mm
- F 11.938 mm
- G 1.778 mm
- Initial Load Rating 3.87 Kg
- Final Load Rating 27.53 Kg
- Material Steel Ball
Product Compliance and Data
Additional Resources
View full details


