Miniature Bearings Australia - MBA Minibearings
Miniature Bearings Australia

CC-172-191-SS - Datasheet

MBA

Category Information

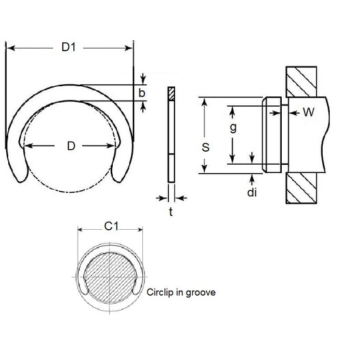
Retaining Rings - Crescent

Crescent Retaining Rings. Variation of an E-Clip with an open face. Also known as a C-Clip.

  • Narrow section height provides good clearance capabilities.
  • Absence of teeth and deep set mean less thrust load ratings than e-clips.
  • For best results install using the recommended applicator tool.

Product Data

  • Groove Diameter (G) : 17.17 mm
    (Equiv. 0.676 in.)
  • Shaft Diameter (S) 19.05 mm
    (Equiv. 0.75 in.)
  • Thickness (t) 1.07 mm
    (Equiv. 0.042 in.)
  • Clip OD in groove (C1) 22.10 mm
  • Clip OD Loose (D1) 21.46 mm
  • Groove Width (W) 1.17
  • Material Stainless Steel Grade PH15-7-17
Country of Origin: US

Product Compliance and Data

Additional Resources

    Cross References

    • Military 16632-075-SS/B
    • Military 16632-075-SS-B
    • Waldes 5103-075-SS/B
    • Waldes 5103-075-SS-B
    • Ellison 9103-075-SS/B
    • Ellison 9103-075-SS-B
    • NoCor C-075-SS/B
    • Rotor Clip C-075-SS/B
    • NoCor C-075-SS-B
    • Rotor Clip C-075-SS-B
    • N1800075SS/B
    • N1800-075-SS-B
    • N1800-075-SS/B
    • N1800075SSB
    • 16632075SS/B
    • 16632075SSB
    • 9103075SS/B
    • 9103075SSB
    • 5103075SSB
    • 5103075SS/B
    • C075SS/B
    • C075SSB
    View full details