
Miniature Bearings Australia
CC-172-191-C - Datasheet
MBA
Category Information
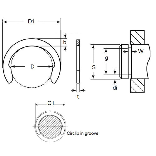
Retaining Rings - CrescentCrescent Retaining Rings. Variation of an E-Clip with an open face. Also known as a C-Clip.
- Narrow section height provides good clearance capabilities.
- Absence of teeth and deep set mean less thrust load ratings than e-clips.
- For best results install using the recommended applicator tool.
Product Data
- Groove Diameter (G)
:
17.17
mm
(Equiv. 0.676 in.) - Shaft Diameter (S)
19.05
mm
(Equiv. 0.75 in.) - Thickness (t)
1.07
mm
(Equiv. 0.042 in.) - Clip OD in groove (C1) 22.10 mm
- Clip OD Loose (D1) 21.46 mm
- Groove Width (W) 1.17
- Material Carbon Spring Steel Self Finish
Product Compliance and Data
Additional Resources
Cross References
- Military 16632-075
- Military 16632-075/B
- Military 16632-075-B
- Waldes 5103-075
- Waldes 5103-075/B
- Waldes 5103-075-B
- Ellison 9103-075
- Ellison 9103-075/B
- Ellison 9103-075-B
- NoCor C-075
- Rotor Clip C-075
- NoCor C-075/B
- Rotor Clip C-075/B
- NoCor C-075-B
- Rotor Clip C-075-B
- N1800-0075APP
- N1800-075
- N1800075B
- N1800-075-B
- N18000075APP
- N1800-075/B
- N1800075/B
- 16632075/B
- 16632075B
- 9103075B
- 9103075/B
- 5103075
- 5103075/B
- 5103075B
- C075/B
- C075B


