
Miniature Bearings Australia
PLIT-160-240-200-96-LKPN-C - Datasheet
MBA
Category Information
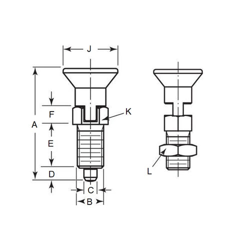
Plungers - Indexing Pull Knob - Steel - With Locking Slot and NutWith Locking Slot and Nut Steel Indexing Pull Knob Plungers. With thermoplastic knob
Product Data
- Thread (B) : M24 Fine (24x2mm)
- Overall Length (A)
96.0
mm
(Equiv. 3.78 in.) - Initial End Force 9.1 N
- Final End Force 20.9 N
- Tip Diameter (C) 16.0 mm
- Tip Length (D) 16.0 mm
- Knob Diameter (J) 40.0 mm
- Hex Size (K) 27.0 mm
- Nut Size (L) 36.0
- Material Steel
Product Compliance and Data
Additional Resources
Cross References
- KBP571
- KBP-571


