
Miniature Bearings Australia
PLIT-160-240-200-96-KPU-C - Datasheet
MBA
Category Information
Plungers - Indexing Pull Knob - No Collar - Steel - StandardStandard Steel No Collar Indexing Pull Knob Plungers. With thermoplastic knob
Product Data
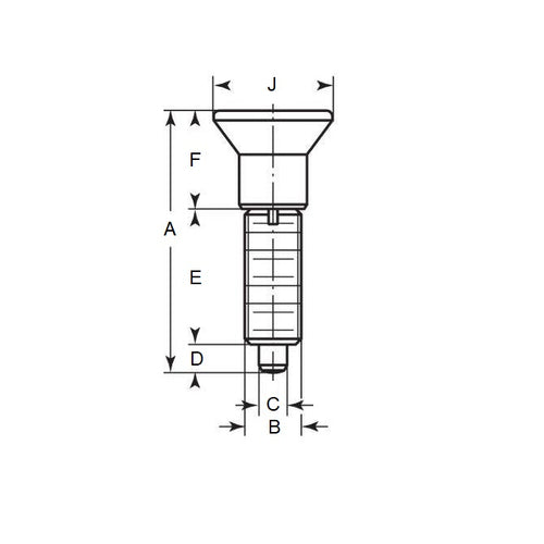
- Thread (B) : M24 Fine (24x2mm)
- Overall Length (A)
96.0
mm
(Equiv. 3.78 in.) - Initial End Force 9.1 N
- Final End Force 20.9 N
- Tip Diameter (C) 16.0 mm
- Tip Length (D) 16.0 mm
- Hex Height (F) 30.0
- Knob Diameter (J) 40.0
- Material Steel
Product Compliance and Data
Additional Resources
Cross References
- KBP-632
- KBP632


