
Miniature Bearings Australia
BP0160-0220-0250-BSLT - Datasheet
MBA
Category Information
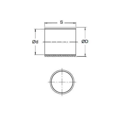
Bushes - Unflanged - Bronze - SinteredSintered Bronze Unflanged Bushes. Oil impregnated sintered bronze bushes.
- An expanded range may be available on special order. Please enquire.
- Precision items show an allowable Load Speed Rating in Newtons times RPM.
Product Data
- Nominal Inside Diameter (d)
:
16.000
mm
+ 0.005 / + 0.030
(Equiv. 0.63 in.) - Nominal Outside Diameter (D)
22.000
mm
+ 0.036 / + 0.061
(Equiv. 0.866 in.) - Length (s)
25.000
mm
+/- 0.127
(Equiv. 0.984 in.) - Material Bronze SAE 841 Sintered
Product Compliance and Data
Additional Resources
- DU Bush Material Information
- General Bushes Catalogue
- Sintered Bronze Products Catalogue
- Solid Bronze Bushes catalogue
Cross References
- Oilube AAM-1622-25
- Oilite AAM1622-25
- Oilube AAM1622-25
- Oilube AM-1622-25
- BP016002200250BST
- QM28-25
- QM2825
- AM162225
- AAM162225


