
Miniature Bearings Australia
REF-160-R-CB - Datasheet
MBA
Category Information
Rod Ends - Female - Steel - Plain - Bronze LinedBronze Lined Plain Steel Female Rod Ends. Imperial and Metric / Carbon Steel. Also known as Heim Joints
- An expanded range may be available on special order. Please enquire.
- Dimensions not shown are available on request.
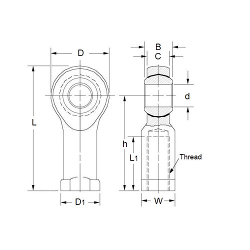
Product Data
- Eye Size (d1)
:
16
mm
(Equiv. 0.63 in.) - Overall Length (L)
83.00
mm
(Equiv. 3.268 in.) - Thread Size (T) M16x2 Right
- Thread Length (l2) 33.00 mm
- Head Width (W) 15.00 mm
- Eye Width (W1) 21.00 mm
- Head Diameter (D) 38.00 mm
- Centre Height (l1) 64.00 mm
- Grease Nipple Yes
- Body Width/Flange Width(W2/D3) 22.00 / 27.00 mm
- Material Bronze Lined Steel
Product Compliance and Data
Additional Resources
Cross References
- Misumi E-GYN16
- ASAHI JAF16
- KWK KF16
- IKO PHS16
- Nachi PHS-16
- NTN SFI-16
- SFI16
- EGYN16


