
Miniature Bearings Australia
CFF016-13-040M-R60 - Datasheet
MBA
Category Information
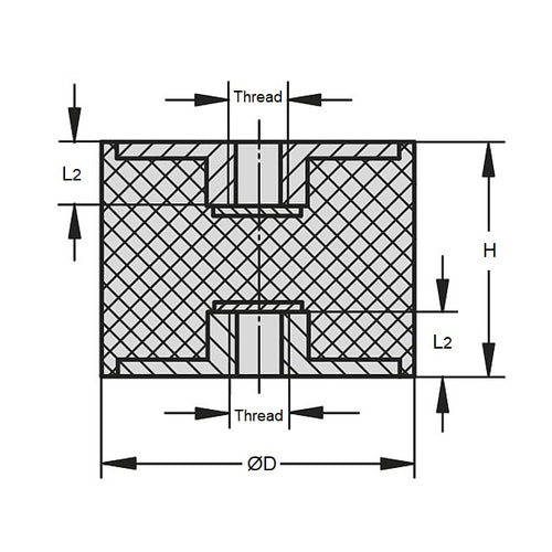
Mounts - Bobbin - FemaleFemale Bobbin Mounts. Vibration dampening
- An expanded range may be available on special order. Please enquire.
- Also see Bumpers
Product Data
- Nom. Body Diameter (D)
:
16.0
mm
(Equiv. 0.63 in.) - Body Height (H)
13.0
mm
(Equiv. 0.512 in.) - Thread Size M4x0.7
- Shore Hardness 60
- Thread Depth (L2) 5.0 mm
- Compression Load 11.2 (25) Kg (lbs)
- Max Shear Load 2.268 Kg (lbs)
- Configuration Female to Female
- Material Natural Rubber
Product Compliance and Data
Additional Resources
Cross References
- VM871M
- VM-87-1M


