
Miniature Bearings Australia
PLIT-150-200-150-83-LKPN-S3F - Datasheet
MBA
Category Information
Plungers - Indexing Pull Knob - Stainless - Locking Slot and NutLocking Slot and Nut Stainless Indexing Pull Knob Plungers. This is the main category in this series
Product Data
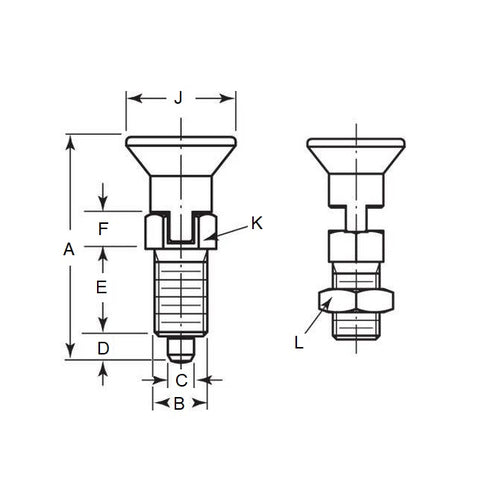
- Thread (B) : M20 Extra Fine (20x1.5mm)
- Overall Length (A)
83.0
mm
(Equiv. 3.268 in.) - Initial End Force 6.8 N
- Final End Force 15.4 N
- Tip Diameter (C) 15.0 mm
- Tip Length (D) 10.0 mm
- Knob Diameter (J) 33.0 mm
- Hex Size (K) 22.0 mm
- Nut Size (L) 30.0
- Material Stainless Steel 303 (Similar to A2, 304, 18-8)
Product Compliance and Data
Additional Resources
Cross References
- KBP599
- KBP-599


