
Miniature Bearings Australia
TEB-5RS - Datasheet
MBA
Category Information
Bumpers - Radial TubeRadial Tube Bumpers. These bumpers are designed for applications involving shock and collision protection along a straight line.
- Made from TecsPaks patented elastomer. Also see Mounts - Buffers
- Less than 40D hardness
- Mounting bolt not included
Product Data
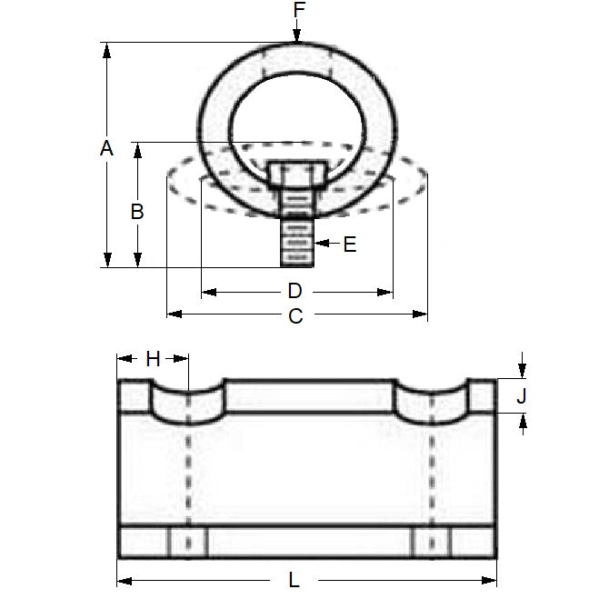
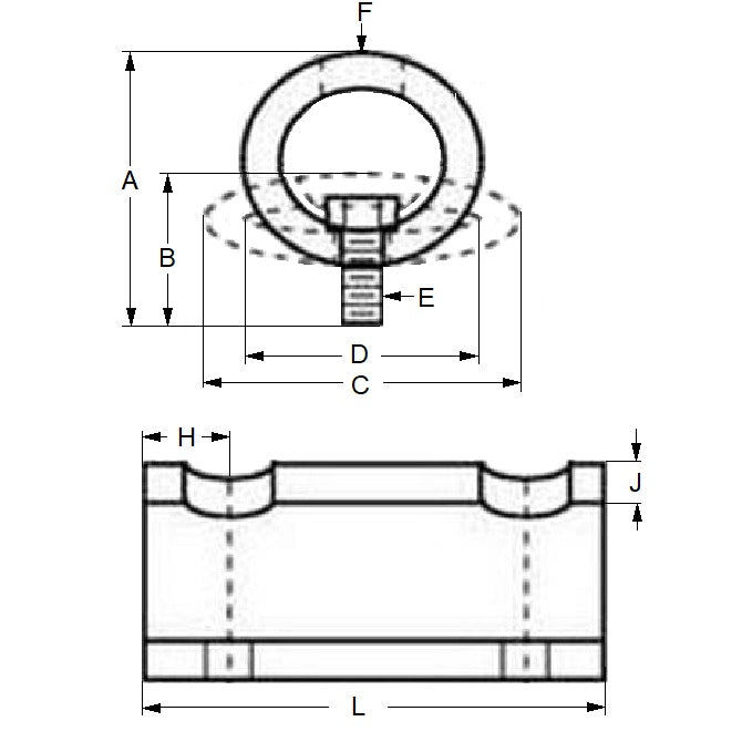
- Length
:
152.4
mm
(Equiv. 6 in.) - End Load Rating 700 Kg
- Free Height (A)
67.818
mm
(Equiv. 2.67 in.) - Compressed Height (B) 22.352 mm
- Compressed Width (C) 100.076 mm
- Compressed Internal Diameter ( 75.692 mm
- Mounting Hole (E) 27.762 mm
- F 33.325 mm
- End to Centre Hole Spacing (H) 25.400 mm
- Thickiness (J) 10.668 mm
- Material Elastomer
Product Compliance and Data
Additional Resources


