
Miniature Bearings Australia
JLP-185RS - Datasheet
MBA
Category Information
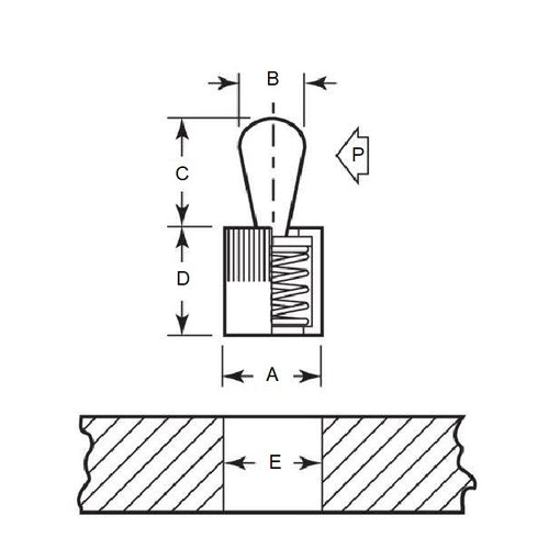
Pins - Locating Spring - Steel Pin - UnsealedUnsealed Steel Pin Locating Spring Pins. Aluminium Body. For fixturing small parts in tight areas. Ideal for positioning and chucking flat or round parts for profile clamping.
Product Data
- Diameter (A)
:
15.88
mm
(Equiv. 0.625 in.) - Pin Diameter (B)
10.01
mm
(Equiv. 0.394 in.) - Pin Height (C)
16.61
mm
(Equiv. 0.654 in.) - D 15.88 mm
- E 15.88 mm + 0.025 / - 0.000
- P Force 7.94 Kg
- X 3.40 mm
- Installation Tool JLP-420
- Material Carbon Steel
Product Compliance and Data
Additional Resources
View full details


