
Miniature Bearings Australia
WRE-0159-SQ-HO - Datasheet
MBA
Category Information
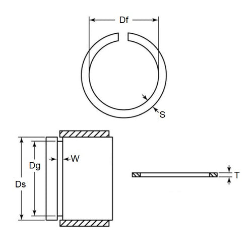
Retaining Rings - External - Snap Rings - Carbon SteelCarbon Steel Snap Rings External Retaining Rings. Includes series M3200 / SP / ESP / M2400 / SW snaprings. Similar to a circlip without the lugs.
- An expanded range may be available on special order. Please enquire.
- Carbon sping steel
- Used on the outside diameter of a bearing, shaft or similar equipment
Product Data
- Shaft or Bearing OD (d1)
:
15.88
mm
(Equiv. 0.625 in.) - Clip Thickness (T)
1.98
mm
+/- 0.05
(Equiv. 0.078 in.) - Groove Dia. (Dg)
14.86
mm
+ 0.08 / - 0.00
(Equiv. 0.585 in.) - Approx. Loose Circlip ID (A) 14.71 mm + 0.00 / - 0.65
- Radial Wall (S) Approx. 1.98 mm +/- 0.05
- Groove Width (W) 2.16 mm
- Approx. Loose Clip OD 18.67
- Info Radial Assembly - Open Gap
- Section Profile Square Section
- Material Carbon Spring Steel
Product Compliance and Data
Additional Resources
Cross References
- Eaton 400-227
- Arcon CSO-227
- NoCor XSO-227
- A0600227
- A0600-227
- CSO227
- XSO227
- 400227


