
Miniature Bearings Australia
RRN-062-S02 - Datasheet
MBA
Category Information
Retaining Rings - Internal - Spiral Rings - Heavy Duty - Stainless SteelStainless Steel Heavy Duty Spiral Rings Internal Retaining Rings. Includes AHI / WHM / AS3215 / Spirolox RRN / MIL-R-27426B2 - Stainless Steel.
- An expanded range may be available on special order. Please enquire.
- Heavy duty design for use with NAS669-670 deep grooves in applications like double row and tapered roller bearings.
- Requires no tools for removal.
- Equivalent to Associated Spring: AHI, Smalley: WHM, Spirolox and Ramsey: RRN, Aerospace AS3215, MIL-R-27426B2
Product Data
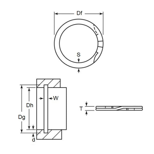
- Housing Bore (B)
:
15.88
mm
(Equiv. 0.625 in.) - Clip Thickness (T)
0.89
mm
+/- 0.05
(Equiv. 0.035 in.) - Groove Dia. (Dg)
16.89
mm
(Equiv. 0.665 in.) - Approx. Loose Circlip OD (Dr) 16.94 mm + 0.33 / - 0.00
- Radial Wall (S) Approx. 1.40 mm +/- 0.10
- Groove Width (W) 1.03 mm +/- 0.05
- Approx. Loose Clip ID 14.14 +/- 0.04
- Groove Depth (d) 0.51
- Material Stainless Steel 302/304 (Similar to A2, 18-8)
Product Compliance and Data
Additional Resources
Cross References
- 92370A131
- Associated Spring AHI-062-S02
- Smalley WHM-062-S02
- WHM062S02
- AHI062S02


