
Miniature Bearings Australia
UR-062 - Datasheet
MBA
Category Information
Retaining Rings - Internal - Spiral Rings - Light Duty - Carbon SteelCarbon Steel Light Duty Spiral Rings Internal Retaining Rings. Includes series CI / VH / UR - Spring Steel
- An expanded range may be available on special order. Please enquire.
- Light duty rings for use in low clearance applications.
- Also used as a positioning point for light loads.
- Radius notch on one end for removal.
- Narrow radial wall yields moderate thrust loads.
- Equivalent to Associated Spring: CI, Smalley: VH, Spirolox and Ramsey: UR
Product Data
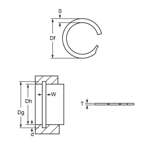
- Housing Bore (B)
:
15.88
mm
(Equiv. 0.625 in.) - Clip Thickness (T)
0.46
mm
+/- 0.04
(Equiv. 0.018 in.) - Groove Dia. (Dg)
16.59
mm
(Equiv. 0.653 in.) - Approx. Loose Circlip OD (Dr) 16.64 mm + 0.33 / - 0.00
- Radial Wall (S) Approx. 1.14 mm + 0.08 / - 0.13
- Groove Width (W) 0.56 mm +/- 0.05
- Approx. Loose Clip ID 14.36 + 0.05 / - 0.00
- Groove Depth (d) 0.36
- Material Carbon Spring Steel
Product Compliance and Data
Additional Resources
Cross References
- 91663A540
- Associated Spring CI-062
- Smalley VH-062
- CI062
- VH062


