
Miniature Bearings Australia
BP0159-0222-0191-BSTH3 - Datasheet
MBA
Category Information
Bushes - Unflanged - Bronze - SinteredSintered Bronze Unflanged Bushes. Oil impregnated sintered bronze bushes.
- An expanded range may be available on special order. Please enquire.
- Precision items show an allowable Load Speed Rating in Newtons times RPM.
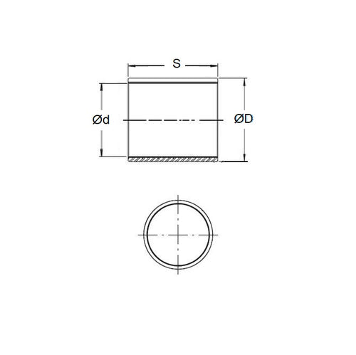
Product Data
- Nominal Inside Diameter (d)
:
15.875
mm
+ 0.025 / + 0.051
(Equiv. 0.625 in.) - Nominal Outside Diameter (D)
22.225
mm
+ 0.076 / + 0.102
(Equiv. 0.875 in.) - Length (s)
19.050
mm
+/- 0.127
(Equiv. 0.75 in.) - Material Bronze SAE 841 Sintered
Product Compliance and Data
Additional Resources
- DU Bush Material Information
- General Bushes Catalogue
- Sintered Bronze Products Catalogue
- Solid Bronze Bushes catalogue
Cross References
- 6391K203
- Oilite AA832-6
- Bunting EP101412
- Daemar P-64-6
- P646
- BNT-170
- BNT170
- BP015902220191BS
- BP015902220191BSTH
- BP015902220191BSSH
- BP015902220191BS-SH
- A7B4SP202806
- A7B4-SP202806
- QT14-1
- QT141
- AA8326


