
Miniature Bearings Australia
BP0159-0206-0381-BSHT - Datasheet
MBA
Category Information
Bushes - Unflanged - Bronze - SinteredSintered Bronze Unflanged Bushes. Oil impregnated sintered bronze bushes.
- An expanded range may be available on special order. Please enquire.
- Precision items show an allowable Load Speed Rating in Newtons times RPM.
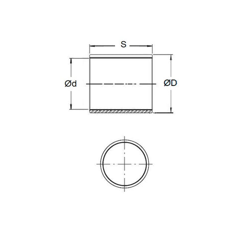
Product Data
- Nominal Inside Diameter (d)
:
15.875
mm
+ 0.051 / + 0.076
(Equiv. 0.625 in.) - Nominal Outside Diameter (D)
20.638
mm
+ 0.038 / + 0.064
(Equiv. 0.813 in.) - Length (s)
38.100
mm
+/- 0.127
(Equiv. 1.5 in.) - Material Bronze SAE 841 Sintered
Product Compliance and Data
Additional Resources
- DU Bush Material Information
- General Bushes Catalogue
- Sintered Bronze Products Catalogue
- Solid Bronze Bushes catalogue
Cross References
- Symmco SS-2026-24
- BP015902060381BS
- BP015902060381BSHH
- A7B4SP202612
- A7B4-SP202612
- SS202624


