
Miniature Bearings Australia
BF0159-0206-0318-BS2740TH - Datasheet
MBA
Category Information
Bushes - Flanged - Bronze - SinteredSintered Bronze Flanged Bushes. Oil impregnated flanged sintered bronze bushes.
- An expanded range may be available on special order. Please enquire.
- Precision items show an allowable Load Speed Rating in Newtons times RPM.
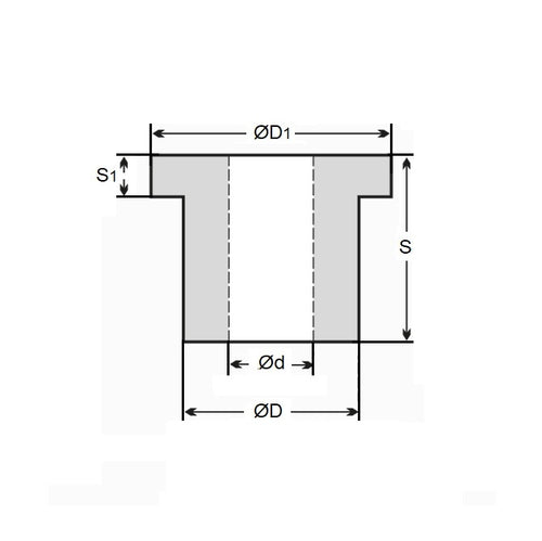
Product Data
- Nominal Inside Diameter (d)
:
15.875
mm
+ 0.025 / + 0.051
(Equiv. 0.625 in.) - Nominal Outside Diameter (D)
20.638
mm
+ 0.038 / + 0.063
(Equiv. 0.813 in.) - Length (s)
31.750
mm
+/- 0.127
(Equiv. 1.25 in.) - Flange OD (D1) 26.99 mm
- Flange Thickness (S1) 3.97 mm
- Material Bronze SAE 841 Sintered
Product Compliance and Data
Additional Resources
- DU Bush Material Information
- General Bushes Catalogue
- Sintered Bronze Products Catalogue
- Solid Bronze Bushes catalogue
Cross References
- Boston FB-1013-10
- Oilite FB1013-10
- BF015902060318BS
- FB101310
- A7B4SF202610
- A7B4-SF202610


