
Miniature Bearings Australia
BP0159-0206-0254-BSTH - Datasheet
MBA
Category Information
Bushes - Unflanged - Bronze - SinteredSintered Bronze Unflanged Bushes. Oil impregnated sintered bronze bushes.
- An expanded range may be available on special order. Please enquire.
- Precision items show an allowable Load Speed Rating in Newtons times RPM.
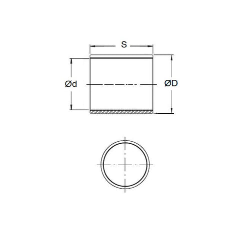
Product Data
- Nominal Inside Diameter (d)
:
15.875
mm
+ 0.025 / + 0.051
(Equiv. 0.625 in.) - Nominal Outside Diameter (D)
20.638
mm
+ 0.076 / + 0.102
(Equiv. 0.813 in.) - Length (s)
25.400
mm
+/- 0.127
(Equiv. 1 in.) - Material Bronze SAE 841 Sintered
Product Compliance and Data
Additional Resources
- DU Bush Material Information
- General Bushes Catalogue
- Sintered Bronze Products Catalogue
- Solid Bronze Bushes catalogue
Cross References
- 6391K255
- Oilite AA813-5
- Bunting EP101316
- Daemar P-63-8
- P638
- BNT-167
- BNT167
- BP015902060254BSH3
- BP015902060254BSTH2
- BP015902060254BSUU
- BP015902060254BS-UU
- BP015902060254BSH2
- A7B4SP202608
- A7B4-SP202608
- AA8135


