
Miniature Bearings Australia
BP0159-0206-0127-BSTH - Datasheet
MBA
Category Information
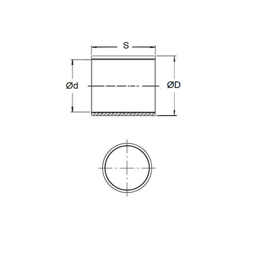
Bushes - Unflanged - Bronze - SinteredSintered Bronze Unflanged Bushes. Oil impregnated sintered bronze bushes.
- An expanded range may be available on special order. Please enquire.
- Precision items show an allowable Load Speed Rating in Newtons times RPM.
Product Data
- Nominal Inside Diameter (d)
:
15.875
mm
+ 0.025 / + 0.051
(Equiv. 0.625 in.) - Nominal Outside Diameter (D)
20.638
mm
+ 0.076 / + 0.102
(Equiv. 0.813 in.) - Length (s)
12.700
mm
+/- 0.127
(Equiv. 0.5 in.) - Material Bronze SAE 841 Sintered
Product Compliance and Data
Additional Resources
- DU Bush Material Information
- General Bushes Catalogue
- Sintered Bronze Products Catalogue
- Solid Bronze Bushes catalogue
Cross References
- 6391K251
- Bunting EP101308
- Daemar P-63-4
- P634
- BNT165
- BNT-165
- BP015902060127BS
- BP015902060127BSH1
- BP015902060127BSTH1
- A7B4-SP202604
- A7B4SP202604


