
Miniature Bearings Australia
BP0159-0191-0318-BSTH - Datasheet
MBA
Category Information
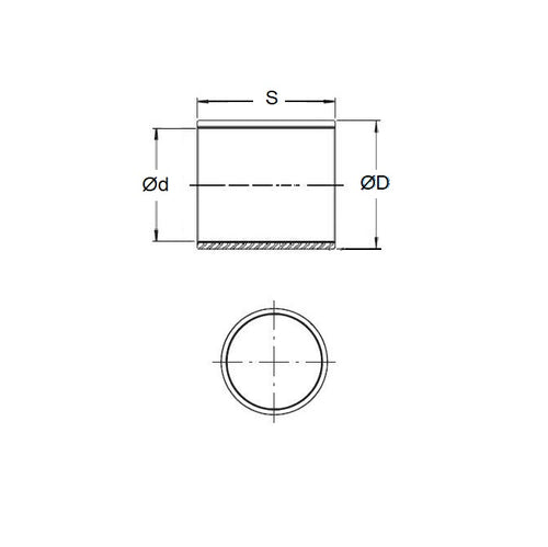
Bushes - Unflanged - Bronze - SinteredSintered Bronze Unflanged Bushes. Oil impregnated sintered bronze bushes.
- An expanded range may be available on special order. Please enquire.
- Precision items show an allowable Load Speed Rating in Newtons times RPM.
Product Data
- Nominal Inside Diameter (d)
:
15.875
mm
+ 0.025 / + 0.051
(Equiv. 0.625 in.) - Nominal Outside Diameter (D)
19.050
mm
+ 0.051 / + 0.076
(Equiv. 0.75 in.) - Length (s)
31.750
mm
+/- 0.127
(Equiv. 1.25 in.) - Material Bronze SAE 841 Sintered
Product Compliance and Data
Additional Resources
- DU Bush Material Information
- General Bushes Catalogue
- Sintered Bronze Products Catalogue
- Solid Bronze Bushes catalogue
Cross References
- 6391K245
- Oilite AA-710-5
- Bunting B-1012-10
- Bunting EP101220
- Daemar P-62-10
- Small Parts SBB-10-20
- P6210
- BNT164
- BNT-164
- BP015901910318BS
- A7B4SP202410
- A7B4-SP202410
- B101210
- SBB1020
- AA7105


