
Miniature Bearings Australia
BP0159-0191-0286-BSTH - Datasheet
MBA
Category Information
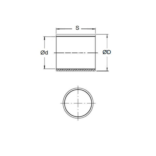
Bushes - Unflanged - Bronze - SinteredSintered Bronze Unflanged Bushes. Oil impregnated sintered bronze bushes.
- An expanded range may be available on special order. Please enquire.
- Precision items show an allowable Load Speed Rating in Newtons times RPM.
Product Data
- Nominal Inside Diameter (d)
:
15.875
mm
+ 0.025 / + 0.051
(Equiv. 0.625 in.) - Nominal Outside Diameter (D)
19.050
mm
+ 0.051 / + 0.076
(Equiv. 0.75 in.) - Length (s)
28.575
mm
+/- 0.397
(Equiv. 1.125 in.) - Material Bronze SAE 841 Sintered
Product Compliance and Data
Additional Resources
- DU Bush Material Information
- General Bushes Catalogue
- Sintered Bronze Products Catalogue
- Solid Bronze Bushes catalogue
Cross References
- Oilite AA710-8
- Oilube AA710-8
- Bunting B-1012-9
- Bunting EP101218
- Daemar P-62-9
- P629
- BP015901910286BS02
- BP015901910286BSSH
- BP015901910286BS-SH
- BP015901910286BSSU
- A7B4-L2036
- A7B4L2036
- B10129
- AA7108


