
Miniature Bearings Australia
BP0159-0191-0193-BSTH - Datasheet
MBA
Category Information
Bushes - Unflanged - Bronze - SinteredSintered Bronze Unflanged Bushes. Oil impregnated sintered bronze bushes.
- An expanded range may be available on special order. Please enquire.
- Precision items show an allowable Load Speed Rating in Newtons times RPM.
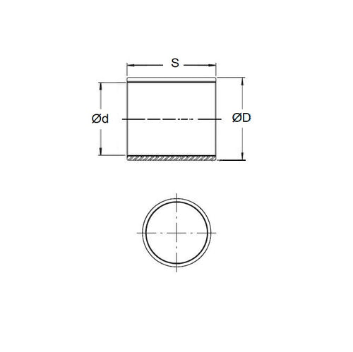
Product Data
- Nominal Inside Diameter (d)
:
15.875
mm
+ 0.025 / + 0.051
(Equiv. 0.625 in.) - Nominal Outside Diameter (D)
19.050
mm
+ 0.064 / + 0.089
(Equiv. 0.75 in.) - Length (s)
19.329
mm
+ 0 / - 0.127
(Equiv. 0.761 in.) - Material Bronze SAE 841 Sintered
Product Compliance and Data
Additional Resources
- DU Bush Material Information
- General Bushes Catalogue
- Sintered Bronze Products Catalogue
- Solid Bronze Bushes catalogue
Cross References
- BP015901910193BS
- BP015901910193BSH
- BP015901910193BSHH
- A7B4-P074
- A7B4P074


