
Miniature Bearings Australia
GHK1588-1588-178 - Datasheet
ExaktKey
Category Information
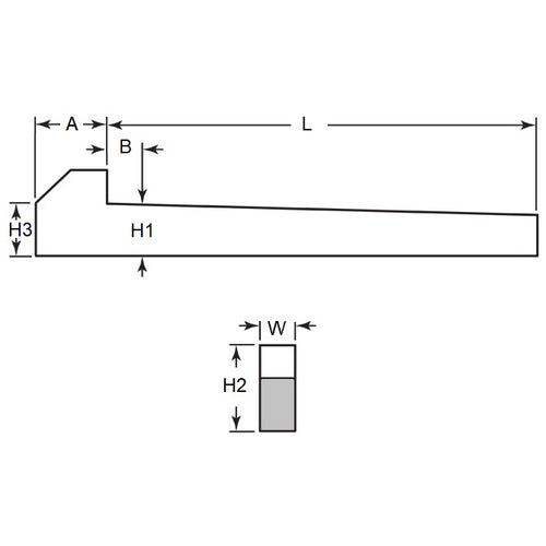
Keys - Gib Head - SteelSteel Gib Head Keys. Tapered 3.000 mm per 300 mm (1:100)
- An expanded range may be available on special order. Please enquire.
Product Data
- Nominal Key Height (H1)
:
15.875
mm
(Equiv. 0.625 in.) - Width (W)
15.875
mm
(Equiv. 0.625 in.) - Length (L)
177.8
mm
(Equiv. 7 in.) - Approx (B) 12.7
- Material Cold Finished Steel
Product Compliance and Data
Additional Resources
Cross References
- NoCor GIB-0625-7000
- GIB06257000


