
Miniature Bearings Australia
TLM-1951RS - Datasheet
MBA
Category Information
Linear - Rail Supports - With Shaft - StandardStandard With Shaft Rail Supports Linear. Includes linear shafting.
- Includes shaft to h6 tolerances.
- Support is made from aluminium
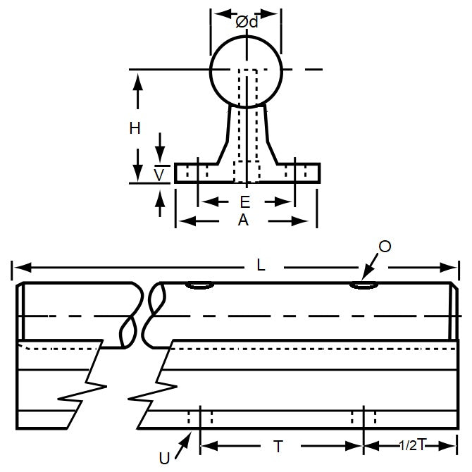
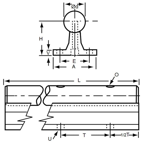
Product Data
- Suitable Shaft Size (d)
:
15.875
mm
(Equiv. 0.625 in.) - Height to Shaft Centre (H)
28.58
mm
(Equiv. 1.125 in.) - Length (+0/-1.59mm)
609.6
mm
(Equiv. 24 in.) - Foot Height (V) 6.350 mm
- Base Width (A) 41.4 mm
- Support Angle (a) 20 °
- Hole Spacing (T) 101.6 mm
- Base Mtg. Hole (U) 4.826 mm
- Shaft Mtg. Hole (O) 4.826 mm
- Bolt Hole Centres (E) 28.7 mm
Product Compliance and Data
Additional Resources
Cross References
- 59585K89


