
Miniature Bearings Australia
PBC-102RS - Datasheet
MBA
Category Information
Linear - Housings Pillow Block Frelon - Precision - ClosedClosed Precision Housings Pillow Block Frelon Linear. Single and double length
- Bearing is Frelon Gold -tm- encased in a flanged housing made from 6061-T6 aluminium. Double length has two bearings mounted internally.
- For rotating and linear motion.
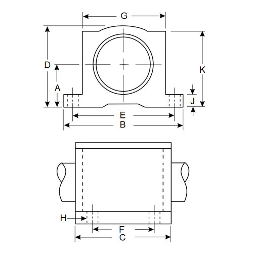
Product Data
- Bore Diameter
:
15.875
mm
+ 0.10 / + 0.05
(Equiv. 0.625 in.) - Centre Bore Height (A)
22.225
mm
(Equiv. 0.875 in.) - Base Width (B)
63.500
mm
(Equiv. 2.5 in.) - Overall Length (C) 101.600 mm
- Height (D) 41.275 mm
- Centre Bolt Holes Width (E) 53.975 mm
- Centre Bolt Holes Length (F) 76.200 mm
- Housing Width (G) 44.450 mm
- Bolt Hole Size 4.750 mm
- Flange Height (J) 7.137 mm
- Centre Bore Height (A) 36.525 mm
- Max Load Rating 1333.56 Kg
Product Compliance and Data
Additional Resources
Cross References
- Pacific PW10


