
Miniature Bearings Australia
RPO-158-160-C - Datasheet
MBA
Category Information
Retaining Rings - Push On - Carbon SteelCarbon Steel Push On Retaining Rings. M1465 / DTX / Seeger ZA and KS.
- An expanded range may be available on special order. Please enquire.
- Thrust load shown is calculated for ideal conditions with mild steel shaft.
- If no thrust load is shown, testing is suggested.
Product Data
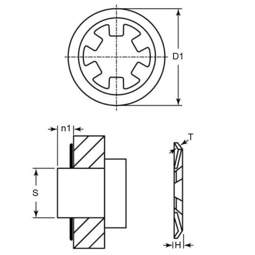
- Min shaft size (s1)
:
15.75
mm
(Equiv. 0.62 in.) - Max Shaft Size (s2)
16.00
mm
(Equiv. 0.63 in.) - Outside diameter (D1)
24.16
mm
(Equiv. 0.951 in.) - Min shaft extension (n1) 2.74 mm
- Height (H) Max. 1.37 mm
- Material Thickness (t) 0.38 mm
- Approx. Thrust Load 60 kg
- Material Carbon Steel
Product Compliance and Data
Additional Resources
Cross References
- Waldes 5115-062
- Small Parts RSE-10
- NoCor TX-062
- Rotor Clip TX-062
- N1465-0062
- N14650062APP
- N1465-0062APP
- N1465062
- N1465-062
- TX062
- RSE10
- 5115062


