
Miniature Bearings Australia
T-0150-0280-0011-RW - Datasheet
MBA
Category Information
Bearings - Thrust Roller - Washers OnlyWashers Only Thrust Roller Bearings. Caged Rollers sold separately. Match these washers with cage and roller assembly from the cage and roller assembly category.
- Thrust roller bearings come in two parts, a caged roller bearing, and the washers sold separately.
- Some sizes have a range of washer thicknesses to choose from. Most applications will require two washers to each caged roller.
- Raceway hardness 58 HRC.
- Limiting Speeds are based on adequate oil lubrication.
- Load ratings are a guide taking into consideration ideal operating conditions.
- Dimensions given are nominal.
- Select the correct washer OD. Some washers listed here are to suit thrust ball bearings.
Product Data
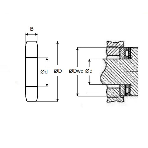
- Bore (d Nom.)
:
15.00
mm
(Equiv. 0.591 in.) - O.D. (D Nom.)
28.00
mm
(Equiv. 1.102 in.) - Washer or Bearing Washer Only - Carbon Steel
- Nom. Thickness (B Max) 1.05 mm
- Shaft Pilot Dia. Range (d) 14.93 - 15.00 mm
- Diam. to Clear Washer OD (Dwc) 29 mm
- Material Carbon Steel
Product Compliance and Data
Additional Resources
- Catalogue: Ceramic Bearings Catalogue
- Catalogue: Plastic Bearings Catalogue
- Catalogue: Standard Bearings Catalogue
- General: Bearing Cleanliness
- General: Bearing Clearances
- General: Bearing Flanges & Snap Rings
- General: Bearing Retainers (Cages)
- General: General Loads Information
- General: Lubrication
- General: Prefix & Suffix Guide
- General: Static vs Dynamic Loads
- Materials: 316 Stainless
- Materials: CASSTOP Anti-Corrosion Bearing Material
- Materials: Ceramic vs Ceramic Hybrid
- Materials: Ceramic Bearings in Vibratory Applications
- Materials: Ceramic Hybrid Bearings in Vibratory Applications
- Materials: General Bearing Materials
- Materials: Magnetism & Bearings
- Precision: 316 Stainless & Plastic Bearing Tolerances
- Precision: ABEC Basic Information
- Precision: Precision Bearing Tolerances
- Problem Solving: Bearing Failure
- Problem Solving: Fatigue (L10 Life)
- Problem Solving: Noise
Cross References
- 5909K73
- Torrington® AS1528
- IKO AS-1528
- Torrington® FTRA-1528
- FTRA1528


