
Miniature Bearings Australia
RRT-575 - Datasheet
MBA
Category Information
Retaining Rings - Internal - Spiral Rings - Medium-Heavy Duty - Carbon SteelCarbon Steel Medium-Heavy Duty Spiral Rings Internal Retaining Rings. Includes Series AMI / WHT / Spirolox RRT - Spring Steel
- An expanded range may be available on special order. Please enquire.
- Originally designed to fit NAS50-51 grooves, this series is a popular OEM specification.
- This two/three turn design is easier to install than the heavy duty RRN option.
- Equivalent to Associated Spring: AMI, Smalley: WHT, Spirolox and Ramsey: RRT
Product Data
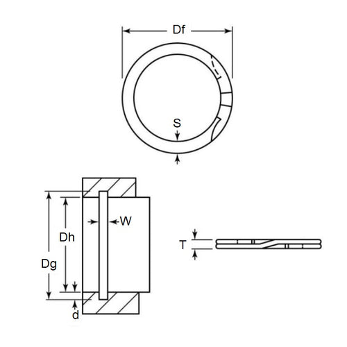
- Housing Bore (B)
:
146.05
mm
(Equiv. 5.75 in.) - Clip Thickness (T)
3.23
mm
+/- 0.11
(Equiv. 0.127 in.) - Groove Dia. (Dg)
152.91
mm
(Equiv. 6.02 in.) - Approx. Loose Circlip OD (Dr) 155.11 mm + 1.02 / - 0.00
- Radial Wall (S) Approx. 9.53 mm +/- 0.16
- Groove Width (W) 3.61 mm +/- 0.18
- Approx. Loose Clip ID 136.05 +/- 0.08
- Groove Depth (d) 3.43
- Material Carbon Spring Steel
Product Compliance and Data
Additional Resources
Cross References
- Associated Spring AMI-575
- Smalley WHT-575
- WHT575
- AMI575


