
Miniature Bearings Australia
CC-143-159-SS - Datasheet
MBA
Category Information
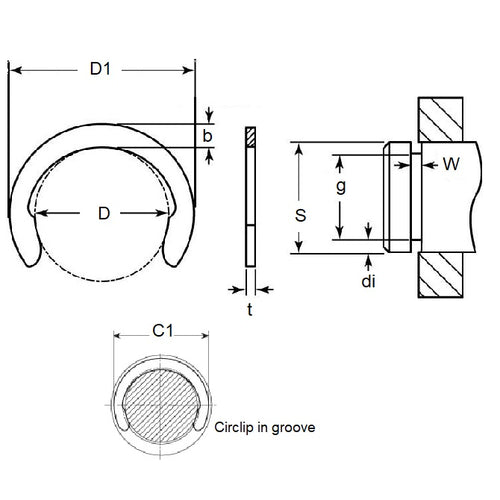
Retaining Rings - CrescentCrescent Retaining Rings. Variation of an E-Clip with an open face. Also known as a C-Clip.
- Narrow section height provides good clearance capabilities.
- Absence of teeth and deep set mean less thrust load ratings than e-clips.
- For best results install using the recommended applicator tool.
Product Data
- Groove Diameter (G)
:
14.30
mm
(Equiv. 0.563 in.) - Shaft Diameter (S)
15.88
mm
(Equiv. 0.625 in.) - Thickness (t)
0.89
mm
(Equiv. 0.035 in.) - Clip OD in groove (C1) 18.80 mm
- Clip OD Loose (D1) 18.16 mm
- Groove Width (W) 0.99
- Material Stainless Steel Grade PH15-7-17
Product Compliance and Data
Additional Resources
Cross References
- Military 16632-062-SS/B
- Military 16632-062-SS-B
- Waldes 5103-062-SS/B
- Waldes 5103-062-SS-B
- Ellison 9103-062-SS/B
- Ellison 9103-062-SS-B
- 98808A365
- NoCor C-062-SS/B
- Rotor Clip C-062-SS/B
- NoCor C-062-SS-B
- Rotor Clip C-062-SS-B
- N1800062SS/B
- N1800-062-SS-B
- N1800-062-SS/B
- N1800062SSB
- 16632062SS/B
- 16632062SSB
- 9103062SS/B
- 9103062SSB
- 5103062SSB
- 5103062SS/B
- C062SS/B
- C062SSB


