
Miniature Bearings Australia
CC-143-159-C - Datasheet
MBA
Category Information
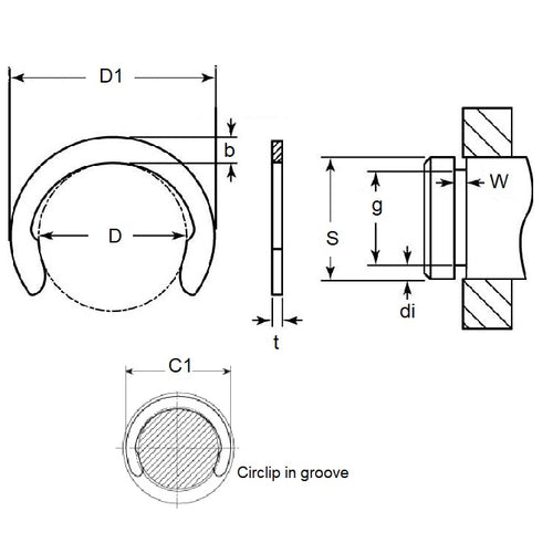
Retaining Rings - CrescentCrescent Retaining Rings. Variation of an E-Clip with an open face. Also known as a C-Clip.
- Narrow section height provides good clearance capabilities.
- Absence of teeth and deep set mean less thrust load ratings than e-clips.
- For best results install using the recommended applicator tool.
Product Data
- Groove Diameter (G)
:
14.30
mm
(Equiv. 0.563 in.) - Shaft Diameter (S)
15.88
mm
(Equiv. 0.625 in.) - Thickness (t)
0.89
mm
(Equiv. 0.035 in.) - Clip OD in groove (C1) 18.80 mm
- Clip OD Loose (D1) 18.16 mm
- Groove Width (W) 0.99
- Material Carbon Spring Steel Self Finish
Product Compliance and Data
Additional Resources
Cross References
- Military 16632-062
- Military 16632-062/B
- Military 16632-062-B
- Waldes 5103-062
- Waldes 5103-062/B
- Waldes 5103-062-B
- Ellison 9103-062
- Ellison 9103-062/B
- Ellison 9103-062-B
- 97414A665
- NoCor C-062
- Rotor Clip C-062
- NoCor C-062/B
- Rotor Clip C-062/B
- NoCor C-062-B
- Rotor Clip C-062-B
- NoCor DC-016
- N1800062B
- N1800-062-B
- N1800-062/B
- N1800062/B
- N18000062APP
- N1800-0062APP
- 16632062
- 16632062B
- 16632062/B
- 9103062
- 9103062B
- 9103062/B
- 5103062
- 5103062B
- 5103062/B
- C062B
- C062/B
- DC016


