
Miniature Bearings Australia
RPO-142-144-C - Datasheet
MBA
Category Information
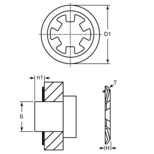
Retaining Rings - Push On - Carbon SteelCarbon Steel Push On Retaining Rings. M1465 / DTX / Seeger ZA and KS.
- An expanded range may be available on special order. Please enquire.
- Thrust load shown is calculated for ideal conditions with mild steel shaft.
- If no thrust load is shown, testing is suggested.
Product Data
- Min shaft size (s1)
:
14.15
mm
(Equiv. 0.557 in.) - Max Shaft Size (s2)
14.40
mm
(Equiv. 0.567 in.) - Outside diameter (D1)
23.00
mm
(Equiv. 0.906 in.) - Min shaft extension (n1) 2.74 mm
- Finish Plain
- Material Thickness (t) 0.38 mm
- Material Carbon Steel
Product Compliance and Data
Additional Resources
Cross References
- Waldes 5115-056
- NoCor TX-056
- Rotor Clip TX-056
- N1465-0056
- N1465-056
- N1465056
- N14650056APP
- N1465-0056APP
- TX056
- 5115056


