
Miniature Bearings Australia
QD-P-1334 - Datasheet
MBA
Category Information
Bushings - QDQD Bushings. Used with QD type cast iron vee pulleys, timing pulleys, sprockets, poly vee pulleys and other parts designed specifically for use with a QD bushing
- Quick Disconnect (QD) bushing is a power transmission component with a split taper design that provides a strong, secure clamp on a shaft, allowing for easy installation and removal of sprockets, pulleys, and sheaves.
- Similar to a taperlock bush, but not interchangeable
- QD bushings like taperlock bushings allow for use of a single stock pulley for many applications with different shaft sizes
- Select the correct QD series to suit the pulley
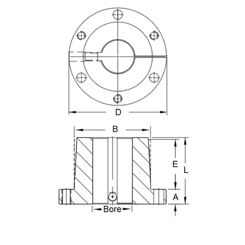
Product Data
- Bore
:
133.350
mm
(Equiv. 5.25 in.) - Series P
- Flange OD (D)
298.45
mm
(Equiv. 11.75 in.) - Bolt Circle Dia. 254.00 mm
- Overall Length (L) 238.13 mm
- Bush Length (E) 193.68 mm
- Large End OD (B) 209.55 mm
- Flange Thickness (A) 44.45 mm
- Material Steel
Product Compliance and Data
Additional Resources
Cross References
- Martin Px5-1-4
- Px514


