
Miniature Bearings Australia
NPB2-12M-A - Datasheet
MBA
Category Information
Housings - Pillow Block - WashdownWashdown Pillow Block Housings. Spyraflo electroless nickel plated aluminium housing with stainless steel coated self aligning acetal bearings.
- An expanded range may be available on special order. Please enquire.
- See links at bottom of web page for more information
- +/- 5% Static Alignment
- Electroless nickel plated aluminium housing
- Corrosion Resistant
- Light weight
Product Data
Deleted Item. Available while stocks last.
Please contact us first if you wish to use this item in a new design so we can check whether production can be resumed.
- Nominal Shaft Size
:
12.000
mm
(Equiv. 0.472 in.) - Max. Radial Dynamic Load 961 N
- Max Speed 795 RPM
- Min to Max Shaft Dia. 12.030 - 12.080 mm
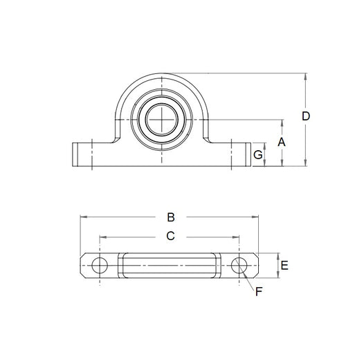
- A 19.00 mm
- B 82.50 mm
- C 63.50 mm
- D 39.50 mm
- E 20.00 mm
- Material Aluminium Housing with Acetal Bearing
Product Compliance and Data
Additional Resources


