
Miniature Bearings Australia
WRE-0120-LS - Datasheet
MBA
Category Information
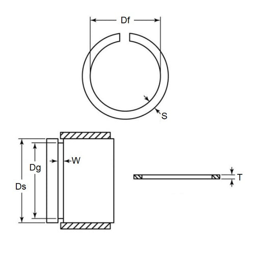
Retaining Rings - External - Snap Rings - Carbon SteelCarbon Steel Snap Rings External Retaining Rings. Includes series M3200 / SP / ESP / M2400 / SW snaprings. Similar to a circlip without the lugs.
- An expanded range may be available on special order. Please enquire.
- Carbon sping steel
- Used on the outside diameter of a bearing, shaft or similar equipment
Product Data
- Shaft or Bearing OD (d1)
:
12.00
mm
(Equiv. 0.472 in.) - Clip Thickness (T)
1.00
mm
+ 0 / - 0.10
(Equiv. 0.039 in.) - Groove Dia. (Dg)
11.50
mm
+ 0 / - 0.11
(Equiv. 0.453 in.) - Approx. Loose Circlip ID (A) 11.20 mm
- Radial Wall (S) Approx. 1.30 mm + 0 / - 0.10
- Groove Width (W) 1.10 mm
- Approx. Loose Clip OD 13.8
- Section Profile Rectangular with Square Edge
- Material Carbon Spring Steel
Product Compliance and Data
Additional Resources
Cross References
- NoCor DSW-012
- Nachi SW12
- Seeger SW12
- Seeger SW12-BLS
- NTN WR12
- DSW012
- SW12BLS
- WRE0120SQ


