
Miniature Bearings Australia
BF0120-0180-0100-BS2430LT - Datasheet
MBA
Category Information
Bushes - Flanged - Bronze - SinteredSintered Bronze Flanged Bushes. Oil impregnated flanged sintered bronze bushes.
- An expanded range may be available on special order. Please enquire.
- Precision items show an allowable Load Speed Rating in Newtons times RPM.
Product Data
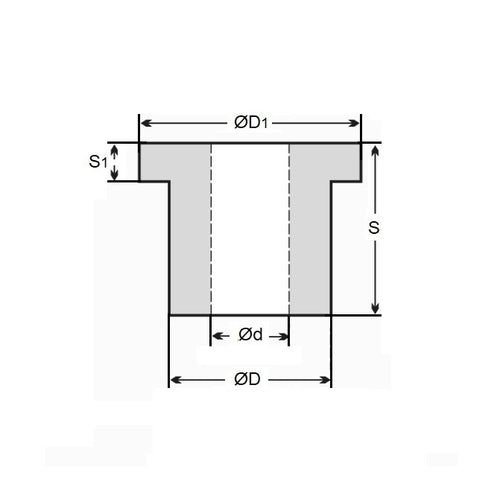
- Nominal Inside Diameter (d)
:
12.000
mm
+ 0.005 / + 0.030
(Equiv. 0.472 in.) - Nominal Outside Diameter (D)
18.000
mm
+ 0.028 / + 0.050
(Equiv. 0.709 in.) - Length (s)
10.000
mm
+/- 0.127
(Equiv. 0.394 in.) - Flange OD (D1) 24.00 mm
- Flange Thickness (S1) 3.00 mm
- Material Bronze SAE 841 Sintered
Product Compliance and Data
Additional Resources
- DU Bush Material Information
- General Bushes Catalogue
- Sintered Bronze Products Catalogue
- Solid Bronze Bushes catalogue
Cross References
- Oilite FFM1218-10
- Oilube FM-1218-10
- BF012001800100BS2430
- BF012001800100BSF2430
- FFM121810


