
Miniature Bearings Australia
PLIT-120-200-150-78-LKPN-S3 - Datasheet
MBA
Category Information
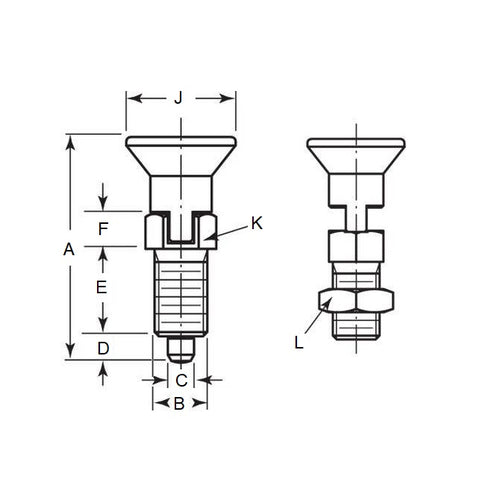
Plungers - Indexing Pull Knob - Stainless and Plastic - Locking Slot and NutLocking Slot and Nut Stainless and Plastic Indexing Pull Knob Plungers. With thermoplastic knob
Product Data
- Thread (B) : M20 Extra Fine (20x1.5mm)
- Overall Length (A)
78.0
mm
(Equiv. 3.071 in.) - Initial End Force 1.5 N
- Final End Force 4.0 N
- Tip Diameter (C) 12.0 mm
- Tip Length (D) 12.0 mm
- Knob Diameter (J) 33.0 mm
- Hex Size (K) 22.0 mm
- Nut Size (L) 30.0
- Material Stainless Steel 303 (Similar to A2, 304, 18-8)
Product Compliance and Data
Additional Resources
Cross References
- KBP578
- KBP-578


