
Miniature Bearings Australia
DT-36RS - Datasheet
MBA
Category Information
Linear - Ball Slide Assembly - PrecisionPrecision Ball Slide Assembly Linear. These precision ball slides have a typical coefficient of friction of 0.003 and provide straight line accuracy of 0.0005mm per mm of travel.
- At load capacity a life of 250 million mm of travel can be expected. The expected life at half load capacity is 2.5 billion mm.
- Factory preload adjustment prevents sideplay and backlash. Lightweight aluminium carriage and base with high load capacity.
- Four tapped and threaded carriage holes and counterbored base holes simplify installation and component mounting.
- Long life, self cleaning ball bearing needs no lubrication.
- Positional repeatability 0.005mm. Clear anodised finish.
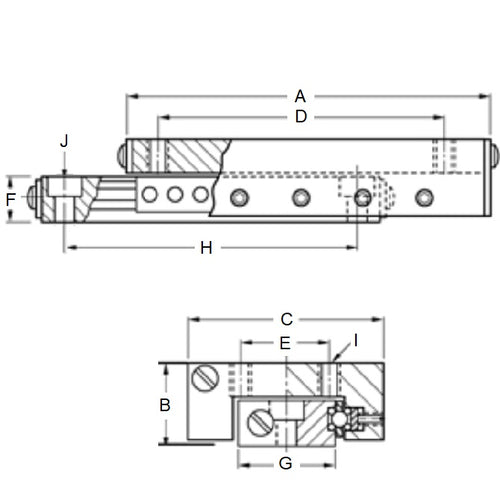
Product Data
- Travel
:
127.000
mm
(Equiv. 5 in.) - Load Capacity 8.165 Kg
- Carriage Length (A)
153.924
mm
(Equiv. 6.06 in.) - Overall Height (B) 10.414 mm
- Carriage Width (C) 19.050 mm
- Carriage Bolt Centre (D) 142.875 mm
- Carriage Bolt Centre (E) 9.525 mm
- Rail Height (F) 6.350 mm
- Rail Width (G) 9.525 mm
- Rail Bolt Centres Length (H) 114.300 mm
- Carriage Bolt Size 4-40 UNC
- Base Bolt Size 4-40 UNC
Product Compliance and Data
Additional Resources


