
Miniature Bearings Australia
PBC-770RS - Datasheet
MBA
Category Information
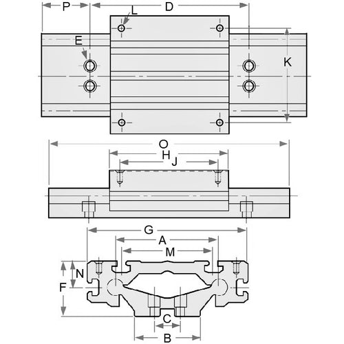
Linear - Guide System Two PieceGuide System Two Piece Linear. Using Frelon Gold plain bearing technology. Rail and carriage are made from 6063-T6 aluminium and come as a set.
- Rails are ceramic coated to resist corrosion and repel weld spatter and contaminants.
- Smooth running. Dampens vibration. Guide has slots for T nuts or bolts. Two component system allows for easier installation than traditional rail systems.
Product Data
- Rail Top Width (A/B)
:
124.968 / 83.820
mm
(Equiv. 4.92 in.) - C
31.750
mm
(Equiv. 1.25 in.) - Rail Bolt Centres (D)
152.400
mm
(Equiv. 6 in.) - Rail Height (F) 66.675 mm
- Carriage Width (G) 193.040 mm
- Carriage Length (H) 152.400 mm
- Carriage Bolt Centre Length (J 133.350 mm
- Carriage Bolt Centre Width (K) 171.450 mm
- Overall Length (O) 304.80 mm
- P 101.60 mm
- Bolt Size (L) 5/16-18 UNC (7.938mm)
- M 109.982 mm
Product Compliance and Data
Additional Resources
Cross References
- Pacific D125-12
- D12512


