
Miniature Bearings Australia
GE-12065-18733-ST-OH-W - Datasheet
MBA
Category Information
Bushings - Spherical - Steel - With Oil Hole and Wiper SealWith Oil Hole and Wiper Seal Steel Spherical Bushings. Steel spherical plain bearings. Also known as ball bushings.
- Self-aligning bearing that has spherical inner and outer rings, allowing it to handle both large radial and axial loads simultaneously.
- Used in applications with slow swinging movements or where misalignment must be compensated for, such as in control linkages, suspension components, and industrial machinery.
- Designed to reduce vibration and noise by allowing articulating motion in a fixed directional load.
- Compensates for axial loads and misalignment.
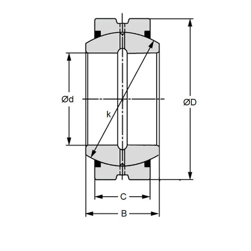
Product Data
- Bore (d1)
:
120.65
mm
(Equiv. 4.75 in.) - OD (d2)
187.33
mm
(Equiv. 7.375 in.) - Width (B)
105.560
mm
(Equiv. 4.156 in.) - Outer Width (C) 90.47 mm
- Dynamic Load Capacity 157000 kgf
- Static Load Capacity 939000 kgf
- Features With Wiper Seals / With Oil Hole
- Material Steel
Product Compliance and Data
Additional Resources
Cross References
- Nachi SBB-76-2RS
- IKO SBB76-2RS
- Nachi SBB-76-RS
- IKO SBB76-RS
- SBB76RS
- SBB762RS


