
Miniature Bearings Australia
CC-129-143-C - Datasheet
MBA
Category Information
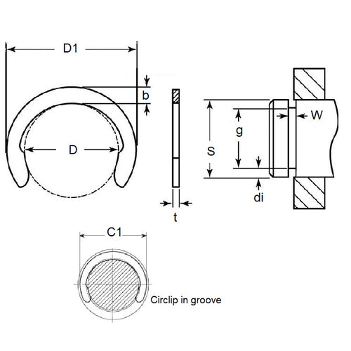
Retaining Rings - CrescentCrescent Retaining Rings. Variation of an E-Clip with an open face. Also known as a C-Clip.
- Narrow section height provides good clearance capabilities.
- Absence of teeth and deep set mean less thrust load ratings than e-clips.
- For best results install using the recommended applicator tool.
Product Data
- Groove Diameter (G)
:
12.88
mm
(Equiv. 0.507 in.) - Shaft Diameter (S)
14.28
mm
(Equiv. 0.562 in.) - Thickness (t)
0.89
mm
(Equiv. 0.035 in.) - Clip OD in groove (C1) 17.02 mm
- Clip OD Loose (D1) 16.59 mm
- Groove Width (W) 0.99
- Material Carbon Spring Steel Self Finish
Product Compliance and Data
Additional Resources
Cross References
- Military 16632-056
- Military 16632-056/B
- Military 16632-056-B
- Waldes 5103-056
- Waldes 5103-056/B
- Waldes 5103-056-B
- Ellison 9103-056
- Ellison 9103-056/B
- Ellison 9103-056-B
- NoCor C-056
- Rotor Clip C-056
- NoCor C-056/B
- Rotor Clip C-056/B
- NoCor C-056-B
- Rotor Clip C-056-B
- N1800056
- N1800-0056APP
- N18000056APP
- N1800-056
- N1800056/B
- N1800-056/B
- N1800056B
- N1800-056-B
- 16632056B
- 16632056/B
- 9103056B
- 9103056/B
- 5103056B
- 5103056/B
- C056/B
- C056B


