
Miniature Bearings Australia
SE127-095-254-F3 - Datasheet
MBA
Category Information
Shaft ExtendersShaft Extenders. Miniature and large shaft extenders and reducers. Used to increase or reduce the diameter, or increase the length of shafts.
- This category will be discontinued when the remaining items are sold.
- All items are priced to quit.
- Backorders or orders for previously listed items in the category may still be possible - please enquire.
- Also known as shaft increasers or shaft reducers.
Product Data
Deleted Item. Available while stocks last.
Please contact us first if you wish to use this item in a new design so we can check whether production can be resumed.
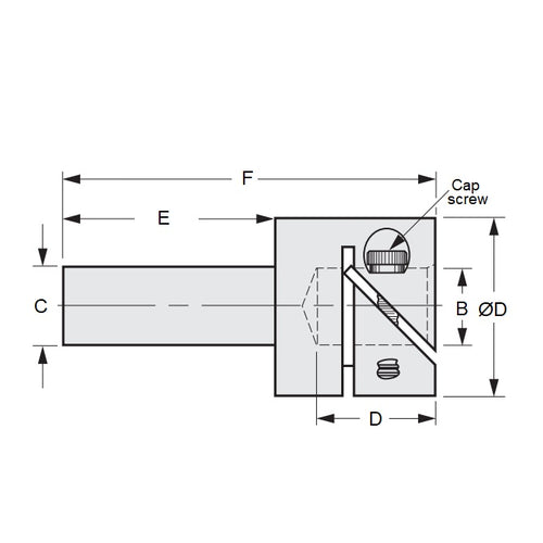
- Bore (B)
:
12.700
mm
+ 0.0076 / - 0.0051
(Equiv. 0.5 in.) - Shaft Diameter (C)
9.525
mm
+ 0.0076 / - 0.0051
(Equiv. 0.375 in.) - Overall Length (L)
25.40
mm
(Equiv. 1 in.) - Shaft Length (E) 25.40 mm
- Bore Depth (D) 19.05 mm
- Outside Diameter (OD) 25.40 mm
- Configuration Fairloc Type
- Material Stainless Steel 303/304 (Similar to A2, 18-8) HRB80
Product Compliance and Data
Additional Resources
Cross References
- S52FCY-500375
- S52FCY500375


