
Miniature Bearings Australia
JLP-300RS - Datasheet
MBA
Category Information
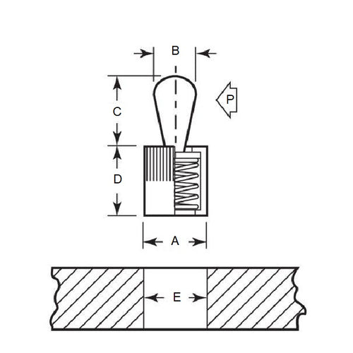
Pins - Locating Spring - Stainless Pin - UnsealedUnsealed Stainless Pin Locating Spring Pins. Aluminium Body. For fixturing small parts in tight areas. Ideal for positioning and chucking flat or round parts for profile clamping.
Product Data
- Diameter (A)
:
12.70
mm
(Equiv. 0.5 in.) - Pin Diameter (B)
8.00
mm
(Equiv. 0.315 in.) - Pin Height (C)
13.21
mm
(Equiv. 0.52 in.) - D 13.00 mm
- E 12.70 mm + 0.025 / - 0.000
- P Force 5.03 Kg
- X 2.69 mm
- Installation Tool JLP-415
- Material Stainless Steel
Product Compliance and Data
Additional Resources
View full details


