
Miniature Bearings Australia
BLTO-01270-CS-C2-D - Datasheet
MBA
Category Information
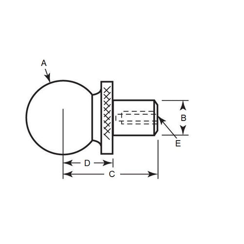
Balls - Tooling - Two Piece - ConstructionConstruction Two Piece Tooling Balls. 1144 steel heat treated to 53-57 RC
- High quality tooling balls provide a precise reference point for critical machining operations.
- Tooling balls, also known as tooling spheres or precision spheres, are precision components used in fixture design, tooling setup, and alignment applications.
- Tooling balls are made of hardened steel or other materials with high wear resistance and precision-ground surfaces.
- Precise shoulder base to ball centre line dimension within +/- 0.00508mm.
- Ball and shank are concentric within 5 microns (0.0002 in.) TIR.
- Weld between ball and shank is designed so the ball will fall off if subject to unusually heavy lateral force, preventing set up and inspection errors that may occur because of a bent shaft.
- Construction balls can be pulled into a hole or bushing from below without applying pressure on the ball by using a cap screw in the internally tapped shank.
Product Data
- Diameter (A)
:
12.700
mm
+/- 0.0051
(Equiv. 0.5 in.) - Shank Diameter (B)
7.938
mm
+/- 0.0051
(Equiv. 0.313 in.) - Base to Centre (C)
23.876
mm
(Equiv. 0.94 in.) - Shoulder to Centre (D) 12.700 mm
- Base Type 6-32 UNC x 7.93
- Material Carbon Steel
Product Compliance and Data
Additional Resources
Cross References
- UB-979
- UB979


