
Miniature Bearings Australia
BLTO-01270-CS-1SP-A - Datasheet
MBA
Category Information
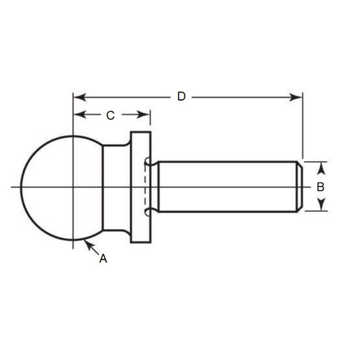
Balls - Tooling - One Piece - Shoulder - Press Fit - SteelSteel Press Fit Shoulder One Piece Tooling Balls. 1144 steel heat treated to 53-57 RC
- High quality tooling balls provide a precise reference point for critical machining operations.
- Tooling balls, also known as tooling spheres or precision spheres, are precision components used in fixture design, tooling setup, and alignment applications.
- Tooling balls are made of hardened steel or other materials with high wear resistance and precision-ground surfaces.
- Available with slip fit or light press fit shank diameters.
- Precision ground shoulder provides precise C dimension to facilitate locating ball centre line.
Product Data
- Diameter (A)
:
12.700
mm
+/- 0.0051
(Equiv. 0.5 in.) - Shank Diameter (B)
6.350
mm
+ 0.0000 / - 0.0076
(Equiv. 0.25 in.) - Base to Centre (C)
23.876
mm
+/- 0.0051
(Equiv. 0.94 in.) - Shoulder to Centre (D) 10.160 mm
- Material Carbon Steel
Product Compliance and Data
Additional Resources
Cross References
- STB26816
- STB-26816


