
Miniature Bearings Australia
P-DR-R12216-AGL - Datasheet
KMS
Category Information
Bearings - Plastic - Acetal - Double Row - Glass BallsGlass Balls Double Row Acetal Plastic Bearings. Bearings for Extreme Corrosion Resistance - Low Speed - Low Load.
- Plastic bearings, also known as polymer bearings, are bearings made from various types of plastics or polymer materials. Used in a wide range of applications across different industries where traditional metal bearings may not be suitable.
- These bearings offer unique advantages such as corrosion resistance, low friction, lightweight construction, and non-magnetic properties. Uses include Food and Beverage Industry, Medical and Laboratory Equipment, Chemical Industry,HVAC Systems.
- Plastic ball bearings do not use the same precision standards as those for precision ball bearings. An expanded range may be available on special order. Please enquire.
- Races made from Acetal - Balls made from Ground Glass - Cages from Acetal or Nylon.
- Lubrication - Water Lubrication or can be run dry - Must lubricate over 2500 RPM.
- Temperature Range - Minus 30 oC to 100 oC Continuous.
Product Data
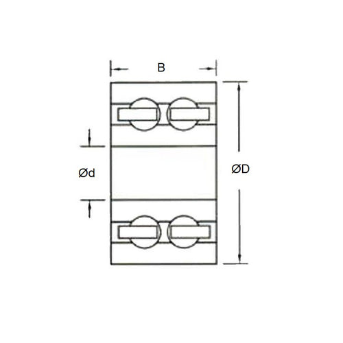
- ID (d)
:
12.700
mm
+ 0.076 / - 0.000
(Equiv. 0.5 in.) - OD (D)
34.925
mm
+ 0.000 / - 0.102
(Equiv. 1.375 in.) - Width (B)
11.113
mm
+ 0.127 / - 0.000
(Equiv. 0.438 in.) - Max RPM in Air 855
- Notes Unlubricated
- Type Double Row Radial
- Dynamic Load Rating 34.6
- Static Load Rating 30 Kg
- Material Acetal with Glass Balls
Product Compliance and Data
Additional Resources
- Catalogue: Ceramic Bearings Catalogue
- Catalogue: Plastic Bearings Catalogue
- Catalogue: Standard Bearings Catalogue
- General: Bearing Cleanliness
- General: Bearing Clearances
- General: Bearing Flanges & Snap Rings
- General: Bearing Retainers (Cages)
- General: General Loads Information
- General: Lubrication
- General: Prefix & Suffix Guide
- General: Static vs Dynamic Loads
- Materials: 316 Stainless
- Materials: CASSTOP Anti-Corrosion Bearing Material
- Materials: Ceramic vs Ceramic Hybrid
- Materials: Ceramic Bearings in Vibratory Applications
- Materials: Ceramic Hybrid Bearings in Vibratory Applications
- Materials: General Bearing Materials
- Materials: Magnetism & Bearings
- Precision: 316 Stainless & Plastic Bearing Tolerances
- Precision: ABEC Basic Information
- Precision: Precision Bearing Tolerances
- Problem Solving: Bearing Failure
- Problem Solving: Fatigue (L10 Life)
- Problem Solving: Noise
Cross References
- KMS AR10BDR-1/2B-G
- KMS AR10BDR-1-2B-G
- AR10BDR1/2BG
- AR10BDR12BG
- AGLDRR12216


