
Miniature Bearings Australia
BF0127-0191-0254-BS2430TH - Datasheet
MBA
Category Information
Bushes - Flanged - Bronze - SinteredSintered Bronze Flanged Bushes. Oil impregnated flanged sintered bronze bushes.
- An expanded range may be available on special order. Please enquire.
- Precision items show an allowable Load Speed Rating in Newtons times RPM.
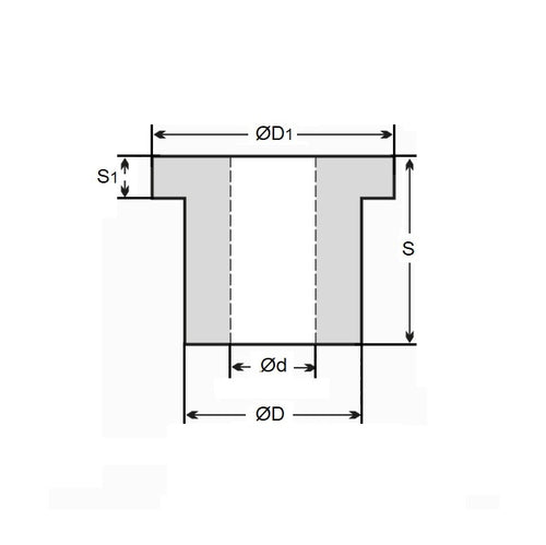
Product Data
- Nominal Inside Diameter (d)
:
12.700
mm
+ 0.025 / + 0.051
(Equiv. 0.5 in.) - Nominal Outside Diameter (D)
19.050
mm
+ 0.051 / + 0.076
(Equiv. 0.75 in.) - Length (s)
25.400
mm
+/- 0.127
(Equiv. 1 in.) - Flange OD (D1) 23.81 mm
- Flange Thickness (S1) 3.18 mm
- Material Bronze SAE 841 Sintered
Product Compliance and Data
Additional Resources
- DU Bush Material Information
- General Bushes Catalogue
- Sintered Bronze Products Catalogue
- Solid Bronze Bushes catalogue
Cross References
- Oilite FF707-03
- Oilite FF-707-3
- Oilube FF-707-3
- Oilite FF707-3
- Symmco SF-1624-16
- FF70703
- FF7073
- BF012701910254BSF2403
- BF012701910254BSF2430
- SF162416


