
Miniature Bearings Australia
BF0127-0159-0079-BS1924TT - Datasheet
MBA
Category Information
Bushes - Flanged - Bronze - SinteredSintered Bronze Flanged Bushes. Oil impregnated flanged sintered bronze bushes.
- An expanded range may be available on special order. Please enquire.
- Precision items show an allowable Load Speed Rating in Newtons times RPM.
Product Data
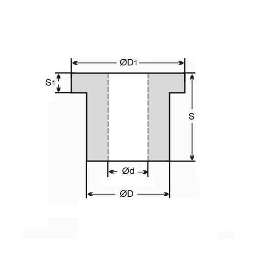
- Nominal Inside Diameter (d)
:
12.700
mm
+ 0.025 / + 0.051
(Equiv. 0.5 in.) - Nominal Outside Diameter (D)
15.875
mm
+ 0.025 / + 0.051
(Equiv. 0.625 in.) - Length (s)
7.938
mm
+/- 0.127
(Equiv. 0.313 in.) - Flange OD (D1) 19.05 mm
- Flange Thickness (S1) 2.38 mm
- Material Bronze SAE 841 Sintered
Product Compliance and Data
Additional Resources
- DU Bush Material Information
- General Bushes Catalogue
- Sintered Bronze Products Catalogue
- Solid Bronze Bushes catalogue
Cross References
- Oilite FF-636-3
- Oilube FF-636-3
- Oilite FF636-3
- BF012701590079BS
- FF6363


