
Miniature Bearings Australia
BF0127-0159-0050-BS2211LH - Datasheet
MBA
Category Information
Bushes - Flanged - Bronze - SinteredSintered Bronze Flanged Bushes. Oil impregnated flanged sintered bronze bushes.
- An expanded range may be available on special order. Please enquire.
- Precision items show an allowable Load Speed Rating in Newtons times RPM.
Product Data
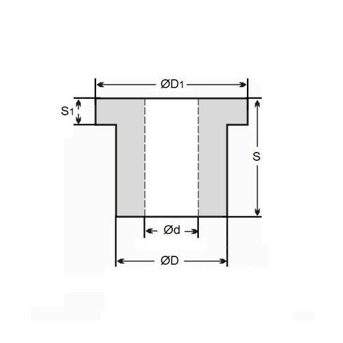
- Nominal Inside Diameter (d)
:
12.700
mm
+ 0.000 / + 0.025
(Equiv. 0.5 in.) - Nominal Outside Diameter (D)
15.875
mm
+ 0.051 / + 0.076
(Equiv. 0.625 in.) - Length (s)
5.029
mm
+ 0 / - 0.152
(Equiv. 0.198 in.) - Flange OD (D1) 22.10 mm
- Flange Thickness (S1) 1.07 mm
- Material Bronze SAE 841 Sintered
Product Compliance and Data
Additional Resources
- DU Bush Material Information
- General Bushes Catalogue
- Sintered Bronze Products Catalogue
- Solid Bronze Bushes catalogue
Cross References
- BF012701590050BS
- BF012701590050BSLH
- A7B4F041
- A7B4-F041


