
Miniature Bearings Australia
UR-050-S02 - Datasheet
MBA
Category Information
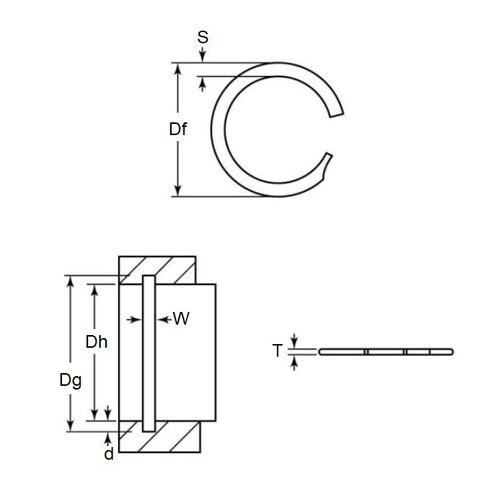
Retaining Rings - Internal - Spiral Rings - Light Duty - Stainless SteelStainless Steel Light Duty Spiral Rings Internal Retaining Rings. Includes series CI / VH / UR - Stainless Steel.
- An expanded range may be available on special order. Please enquire.
- Light duty rings for use in low clearance applications.
- Also used as a positioning point for light loads.
- Radius notch on one end for removal.
- Narrow radial wall yields moderate thrust loads.
- Equivalent to Associated Spring: CI, Smalley: VH, Spirolox and Ramsey: UR
Product Data
- Housing Bore (B)
:
12.70
mm
(Equiv. 0.5 in.) - Clip Thickness (T)
0.46
mm
+/- 0.04
(Equiv. 0.018 in.) - Groove Dia. (Dg)
13.41
mm
(Equiv. 0.528 in.) - Approx. Loose Circlip OD (Dr) 13.31 mm + 0.33 / - 0.00
- Radial Wall (S) Approx. 1.14 mm + 0.08 / - 0.13
- Groove Width (W) 0.56 mm +/- 0.05
- Approx. Loose Clip ID 11.03 + + 0.05 / - 0.00
- Groove Depth (d) 0.36
- Material Stainless Steel 302/304 (Similar to A2, 18-8)
Product Compliance and Data
Additional Resources
Cross References
- 92479A730
- Associated Spring CI-050-S02
- NoCor VH-050-S02
- Smalley VH-050-S02
- CI050S02
- VH050S02


