
Miniature Bearings Australia
PB2-500-N - Datasheet
MBA
Category Information
Housings - Pillow Block Self Aligning - Needle RollerNeedle Roller Pillow Block Self Aligning Housings. Spyraflo robust light weight aluminium housing with self aligning needle roller bearings.
- This category will be discontinued when the remaining items are sold.
- All items are priced to quit.
- Backorders or orders for previously listed items in the category will only be available for very large orders.
- See links at bottom of web page for more information
- +/- 5% Static Alignment
- Sintered aluminium housing
- Corrosion Resistant
- Light weight
Product Data
Deleted Item. Available while stocks last.
Please contact us first if you wish to use this item in a new design so we can check whether production can be resumed.
- Nominal Shaft Size
:
12.700
mm
(Equiv. 0.5 in.) - Max. Radial Dynamic Load 1690 N
- Material Needle Roller
- Min to Max Shaft Dia. 12.689 to 12.700 mm
- Max Speed 22000 RPM
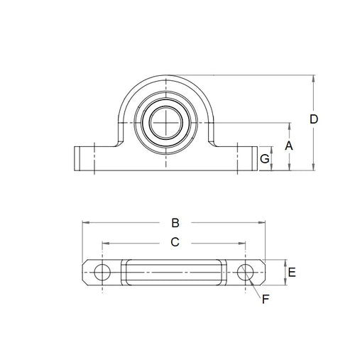
- A 19.05 mm
- B 82.55 mm
- C 63.50 mm
- D 39.62 mm
- Material Steel
Product Compliance and Data
Additional Resources


